除塵器_推焦車除塵器_裝煤車除塵器_布袋除塵器_【17C.COM(hǎi)環保】

客(kè)服:18903178757
全國服務熱線:18903178757
網站(zhàn)公告:
< onmouseover="this.stop()" onMouseOut="this.start()" scrollamount="2" > 河北17C.COM環保工程有限公司,熱線電話:18903178757.
技術文檔 Company show
當前位置(zhì):首頁 > 技術文檔 > ZX型機械振打袋式除塵器
ZX型機械(xiè)振打袋式除塵器
添加時間:2020-07-29
瀏覽量:330

ZX型機械振(zhèn)打袋式除塵器簡介

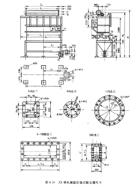
ZX型機械(xiè)振打袋式除塵器是采用中部(bù)機械振打方式清灰(huī),如圖6-19所示(shì)„規格(gé)有28 條、42條(tiáo)、56條、7Q條、84條、SS條(tiáo)、112條和1別條濾袋共S種(zhǒng)。其技術性能(néng)見表 6-30,規格見表(biǎo)6-31,尺寸見圖6-20和表(biǎo)6-32.

ZX型機械振打(dǎ)袋式除塵器(qì)

ZX型機械振打袋式除塵器尺寸

ZX型機械振打袋式除塵器規格

 

布袋除塵器


17C.COM-17c最新登录入口官网-17C在线观看-黑暗蘑菇17c下载