聯係我們
18903178757
- 地址:
- 河北省(shěng)泊頭市富鎮開發區
- 傳真:
- 0317-8041117
- Q Q:
- 28505225
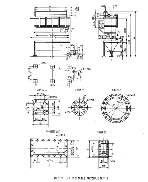
ZX型機械振打袋式除塵(chén)器
ZX型機械振打袋式(shì)除塵器是采用中部機械(xiè)振打方式清灰,如(rú)圖6-19所示„規格有28 條、42條、56條、7Q條、84條、SS條、112條和1別條濾袋共S種。其技術性能見表 6-30,規格見表6-31,尺寸見圖6-20和表6-32.



上一篇:脈衝清灰裝置設計(jì)

