聯係我們
18903178757
- 地址:
- 河北省泊(bó)頭市富鎮開發區
- 傳真:
- 0317-8041117
- Q Q:
- 28505225
環隙噴吹脈衝袋式除塵器
(1)結構特點
環(huán)隙噴吹脈衝袋式除塵器的結構特點是具有環隙引射器和雙膜片脈衝閥。
環隙引射器是(shì)由帶連接套管環形(xíng)通道的上(shàng)體,與起噴射管作用的下體組成,上、下 體之間有一環形(xíng)縫隙,如圖6-43所示。濾袋清(qīng)灰時,壓縮空氣由環形縫隙噴(pēn)出,從而在 引射器上部(bù)形成一真空圓錐(zhuī),誘導二次氣流。二(èr)股氣流衝擊振動濾袋,將濾袋上(shàng)的粉塵 吹落(luò)下來。
雙膜片脈衝閥具有主膜片和控製膜片。如圖6-44所示。主膜片(piàn)麵積大,作用於主膜片 兩側的壓力差也大,因此,要開啟主(zhǔ)膜片(piàn),必須(xū)先(xiān)開啟控製膜片,以消除壓力差。雙膜片結 構工作可靠.抗幹擾性強。
(2)係列規格
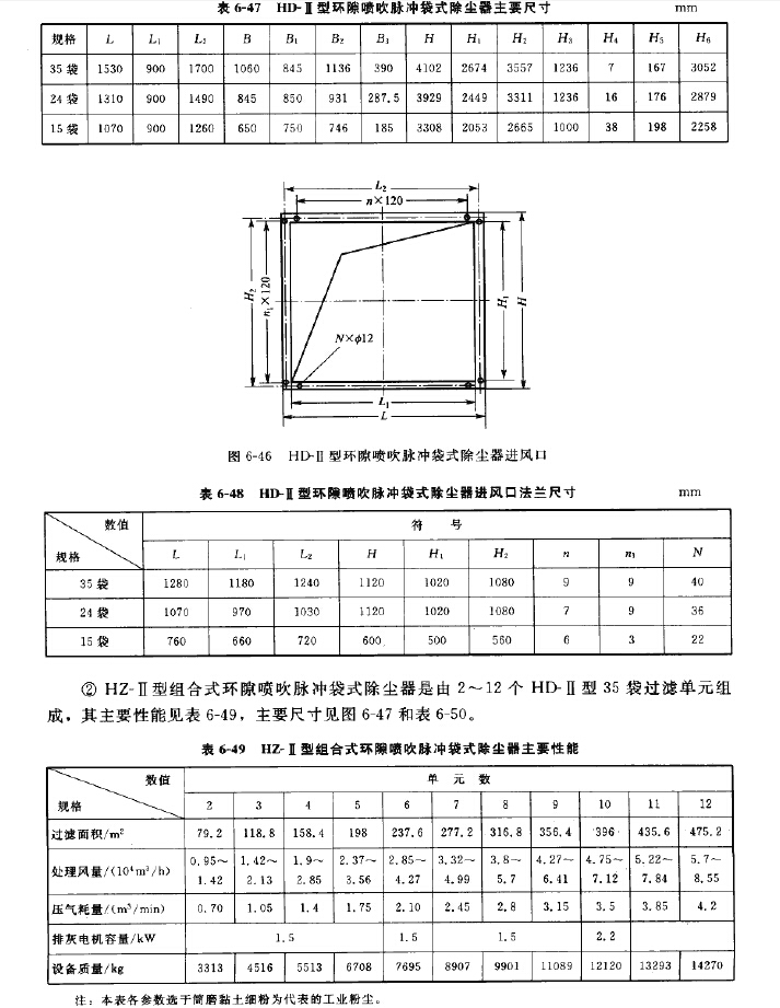
①HD-II型環隙噴吹脈衝袋式除塵(chén)器係列規格有(yǒu)35袋、24袋和〗5袋三種,其主要性(xìng) 能見(jiàn)表6-46,主要尺寸見圖6-45和表6-47,進風口法蘭尺寸見圖6-46和表6-48。



②HZ-II型組合(hé)式環隙噴吹脈衝袋式(shì)除塵器是由2?12個HI>n型35袋過濾單元組 成,其主要性能見表(biǎo)6-49,主要尺寸見(jiàn)圖6-47和(hé)表6-50。



